Bent Bine Brewery in USA-10 hl brewery in Seattle
- May 15, 2023
- 94
- breweryequipment
Bent Bine Brewery in USA-10 hl brewery in Seattle
Bent Bine Brewery
BENT BINE is a family owned Brewery located in Belfair, Washington State, nestled between the North Bay of the Puget Sound and the southern hook of the Hoods Canal. It opens in Oct. 2017.
https://www.facebook.com/BentBineBrewCo/

Like many other micro breweries, Tim brewed good beer with home kits before, and then he decided to expand the beer yield via owning a real micro brewery.

We received Tim’s inquiry in Aug. 2016 via email, with his rough ideas on the equipment configuration of a 10 hl brewery. Then we takes around 2 months on his brewery plan. Our topics including brewing method, heating method, layout, control automation, tank drawngs etc.
Finally we got agreement on such a brewery plan:
Brewery Rough Configuration
Grain Milling Unit
Flexible Auger
Brewhouse Unit [MLT+KWT+20HL HLT] , direct fire heating, with herms device.
3x2000L Fermentation Tank
2x1000L Fermentation Tank
3x2000L Unitank
2x1000L Unitank
Glycol Chilling Unit
Controlling Unit: PLC control, with pneumatic valves
CIP Cart Unit
Keg Filler
Keg Rinser
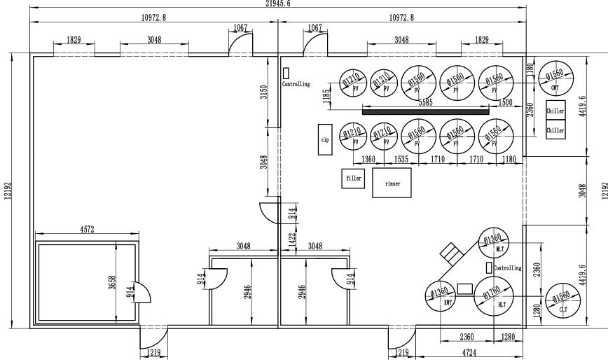
Brewery Layout

Brewery 3D setup
Brewery Manufacturing Stage
It takes around 90-100 days to finish the manufacturing, testing, and debugging before delivery.
The equipment spent it’s safe and long journey from China to USA with around 20 days.






Brewery loading day
The equipment was loaded into 3x40’ containers.



Installation in USA
We sent one engineer to USA, and Tim was taking care of the round tickets, room and food while the engineer was staying there. Before the arrival of our engineer, Tim already tried to finished some connection himself as he is an excellent engineer too (for heating solutions). It takes around 2 weeks to finish the whole brewery and get the brewery run. Then Bent Bine Brewery opens!!






Bent Bine Brewery
BENT BINE is a family owned Brewery located in Belfair, Washington State, nestled between the North Bay of the Puget Sound and the southern hook of the Hoods Canal. It opens in Oct. 2017.
https://www.facebook.com/BentBineBrewCo/

Like many other micro breweries, Tim brewed good beer with home kits before, and then he decided to expand the beer yield via owning a real micro brewery.

We received Tim’s inquiry in Aug. 2016 via email, with his rough ideas on the equipment configuration of a 10 hl brewery. Then we takes around 2 months on his brewery plan. Our topics including brewing method, heating method, layout, control automation, tank drawngs etc.
Finally we got agreement on such a brewery plan:
Brewery Rough Configuration
Grain Milling Unit
Flexible Auger
Brewhouse Unit [MLT+KWT+20HL HLT] , direct fire heating, with herms device.
3x2000L Fermentation Tank
2x1000L Fermentation Tank
3x2000L Unitank
2x1000L Unitank
Glycol Chilling Unit
Controlling Unit: PLC control, with pneumatic valves
CIP Cart Unit
Keg Filler
Keg Rinser
Brewery Layout

Brewery 3D setup
Brewery Manufacturing Stage
It takes around 90-100 days to finish the manufacturing, testing, and debugging before delivery.
The equipment spent it’s safe and long journey from China to USA with around 20 days.






Brewery loading day
The equipment was loaded into 3x40’ containers.



Installation in USA
We sent one engineer to USA, and Tim was taking care of the round tickets, room and food while the engineer was staying there. Before the arrival of our engineer, Tim already tried to finished some connection himself as he is an excellent engineer too (for heating solutions). It takes around 2 weeks to finish the whole brewery and get the brewery run. Then Bent Bine Brewery opens!!










.jpg)