12 HL MESSINIAN brewery equipment in Greece
- May 13, 2023
- 71
- tiantai
12 HL MESSINIAN brewery equipment in Greece
Greece, officially the Hellenic Republic, also known as Hellas, is a country located in Southeast Europe. Greece is one of those rare places where ancient history is still very much a part of modern life. Visitors are as much drawn to the country’s epic intellectual history as its beauty and charm. Make time for the iconic features of the Acropolis of Athens, which include the Parthenon, the Erechtheion, and the Temple of Athena Nike. Mythology buffs will appreciate Crete, Olympia, Samos, and Naxos for their mythological significance. Another best place to visit would be 12 HL brewery in west MANI and drink one cup of beer.

MESSINIAN BREWERY O.E. is located in agios nikolaos, ditiki mani messinia 24022, Greece. They are brewing tasty beer with TIANTAI 12 HL beer brewery equipment. We built contacts on 14th June 2018, with 3 months time communication, we confirmed all the brewery details. Mr. Takis finally chosen TIANTAI as the supplier.
The basic brewing system configurations include:
1. Grain Miller: 300- 500kg/hr
2. Flexible auger
3. 1200L Brewhouse MLT + KWT + HLT with steam heating. The capacity of HLT is 2500L.
4. Glycol cooling system
5. 2400L fermentation tankS
6. 1200L fermentation tankS
7. Brewery control system
8. 100L Portable CIP Cart
9. Semi-auto Bottling machine
10. Automatic Keg Filler
11. 2-Station auto keg washer
12. Beer filter
13. Single stage RO system
14. Semi-auto bottling labeling machine


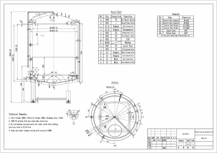
All the brewery tanks will be produced as the drawings; the drawings were designed according to brewery layout; the brewhouse pipe design will be finished as the flow diagram.

We finished brewery equipment producing as planned, and the customer is imperative to receive the tanks as earlier as possible. We are loading the brewhouse system into container now, they will start a long journey.

Every one has a dream, I think our engineer’s dream would be install several sets of qualified beer brewing system. With 15 days installation, everything is ready. Our customer is able to brew first batch of beer now.



Derrick
Sales Manager
[email protected]
Shandong Tiantai Beer Equipment Co.,Ltd
Greece, officially the Hellenic Republic, also known as Hellas, is a country located in Southeast Europe. Greece is one of those rare places where ancient history is still very much a part of modern life. Visitors are as much drawn to the country’s epic intellectual history as its beauty and charm. Make time for the iconic features of the Acropolis of Athens, which include the Parthenon, the Erechtheion, and the Temple of Athena Nike. Mythology buffs will appreciate Crete, Olympia, Samos, and Naxos for their mythological significance. Another best place to visit would be 12 HL brewery in west MANI and drink one cup of beer.

MESSINIAN BREWERY O.E. is located in agios nikolaos, ditiki mani messinia 24022, Greece. They are brewing tasty beer with TIANTAI 12 HL beer brewery equipment. We built contacts on 14th June 2018, with 3 months time communication, we confirmed all the brewery details. Mr. Takis finally chosen TIANTAI as the supplier.
The basic brewing system configurations include:
1. Grain Miller: 300- 500kg/hr
2. Flexible auger
3. 1200L Brewhouse MLT + KWT + HLT with steam heating. The capacity of HLT is 2500L.
4. Glycol cooling system
5. 2400L fermentation tankS
6. 1200L fermentation tankS
7. Brewery control system
8. 100L Portable CIP Cart
9. Semi-auto Bottling machine
10. Automatic Keg Filler
11. 2-Station auto keg washer
12. Beer filter
13. Single stage RO system
14. Semi-auto bottling labeling machine


All the brewery tanks will be produced as the drawings; the drawings were designed according to brewery layout; the brewhouse pipe design will be finished as the flow diagram.

We finished brewery equipment producing as planned, and the customer is imperative to receive the tanks as earlier as possible. We are loading the brewhouse system into container now, they will start a long journey.

Every one has a dream, I think our engineer’s dream would be install several sets of qualified beer brewing system. With 15 days installation, everything is ready. Our customer is able to brew first batch of beer now.



Derrick
Sales Manager
[email protected]
Shandong Tiantai Beer Equipment Co.,Ltd

.jpg)


